EGZOZLU & EGZOZSUZ YÜKLEYİCİ MOTORLARI, PLASTİK ENJEKSİYON MAKİNELERİNDE HAMMADDE ÇEKMEK İÇİN KULLANILAN MOTORLARDIR KURUTUCUYA HAMMADDE YÜKLEMEK İÇİN KULLANILIR KURUTUCU İÇİN DE SIKIŞAN GAZI DIŞARI ATMAK İÇİN TERCİH EDİLİR

Plastik hammadde yükleyici motor , Egzozsuz Yükleyici

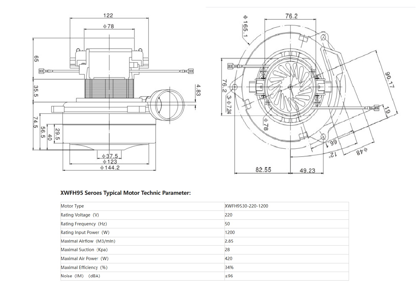
Motoru,Enjeksiyon Makinası Hidrolik Yükleyici Motoru

Enjeksiyon Makinası Hidrolik Yükleyici Motoru

Kullanım Alanları

Hidrolik yükleyici motorları, plastik ve metal işleme sektöründe birçok farklı uygulamada kullanılır:

  1. Plastik enjeksiyon makinelerinde kalıp hareketi
  2. Hidrolik hammadde yükleme sistemleri
  3. Merkezi hidrolik sistem pompa sürücüleri
  4. Kalıp itici ve çekici sistemler
  5. Pres ve baskı sistemleri
  6. Geri dönüşüm makineleri ve otomatik hammadde taşıma hatları

Özellikler

  1. Yüksek Performans: Ağır yük altında bile kararlı çalışma
  2. Uzun Ömürlü: Endüstriyel koşullara dayanıklı güçlü yapı
  3. Düşük Bakım İhtiyacı: Sessiz ve verimli motor teknolojisi
  4. Kolay Montaj: Standart bağlantı ölçüleriyle hızlı kurulum
  5. Enerji Verimliliği: Modern motor yapısıyla düşük enerji tüketimi
  6. Titreşimsiz Çalışma: Enjeksiyon döngüsünde sessiz ve dengeli performans
Kullanmakta olduğunuz cihaz/web tarayıcısı çerezleri desteklemiyor yada bloke ediyor. Sistemin temel özelliklerinden yararlanabilmek için çerez destekleyen bir tarayıcı kullanmalısınız. Çerez politikamız hakkında daha fazla bilgi almak için tıklayınız.